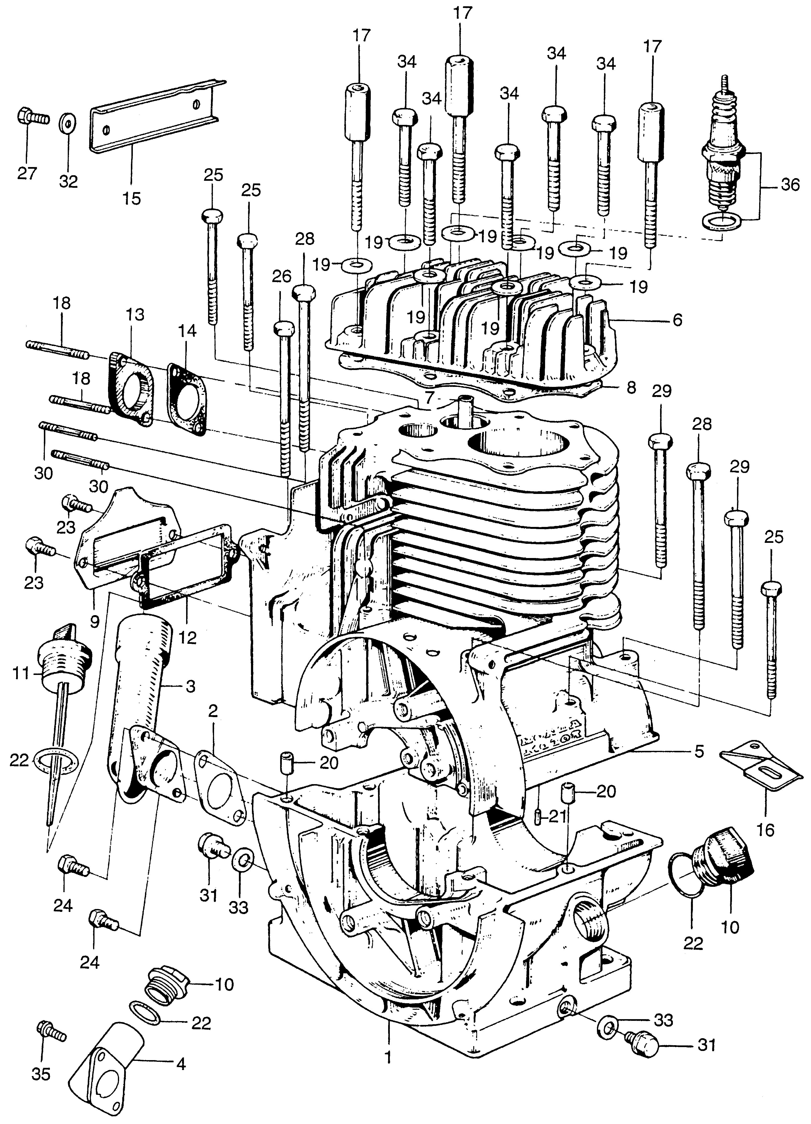
Generators E E2500 E2500K3 A E2500-2000093-2043277 CYLINDER OIL PAN - Alvarado Marine & Power Equipment

Ref No
Part Number
Description
Serial Range
Qty
Price

Ref No
1
Part Number
11200-873-000
Description
PAN, OIL
Serial Range
1000001 - 9999999

Ref No
2
Part Number
11211-822-000
Description
GASKET, OIL PAN HOLE COVER (NOT AVAILABLE)
Serial Range
1000001 - 9999999

Ref No
3
Part Number
11220-815-000
Description
PIPE, OIL (NOT AVAILABLE)
Serial Range
1000001 - 3037735

Ref No
4
Part Number
11220-874-790
Description
PIPE, OIL
Serial Range
3037736 - 9999999

Ref No
5
Part Number
12100-823-070
Description
CYLINDER
Serial Range
3037736 - 9999999

Ref No
6
Part Number
12201-823-000
Description
CYLINDER HEAD
Serial Range
1000001 - 9999999

Ref No
7
Part Number
12236-823-305
Description
GUIDE, VALVE (NOT AVAILABLE)
Serial Range
1000001 - 9999999

Ref No
8
Part Number
12251-823-000
Description
GASKET, CYLINDER HEAD (NOT AVAILABLE)
Serial Range
1000001 - 9999999

Ref No
9
Part Number
12361-823-651
Description
COVER, TAPPET
Serial Range
1000001 - 9999999

Ref No
10
Part Number
15611-921-000
Description
CAP, OIL (YELLOW)
Serial Range
1000001 - 3037735
Qty
Price
$13.48

Ref No
11
Part Number
15620-815-000
Description
CAP, OIL (NOT AVAILABLE)
Serial Range
1000001 - 3037735
Qty
Price
$18.24

Ref No
12
Part Number
15719-823-000
Description
GASKET, TAPPET COVER (NOT AVAILABLE)
Serial Range
1000001 - 9999999

Ref No
13
Part Number
16211-823-303
Description
INSULATOR, CARBURETOR
Serial Range
1000001 - 9999999
Qty
Price
$16.24

Ref No
14
Part Number
16229-823-000
Description
GASKET, CARBURETOR INSULATOR (NOT AVAILABLE)
Serial Range
1000001 - 9999999

Ref No
15
Part Number
19612-873-630
Description
BRACKET, SIDE COVER
Serial Range
1000001 - 9999999

Ref No
16
Part Number
31181-829-010
Description
STAY, ALTERNATOR (NOT AVAILABLE)
Serial Range
1000001 - 9999999

Ref No
18
Part Number
90062-822-701
Description
BOLT, STUD (8X39) (NOT AVAILABLE)
Serial Range
1000001 - 9999999
Qty
Price
$2.82

Ref No
19
Part Number
90402-822-000
Description
WASHER, HEAD (8MM)
Serial Range
1000001 - 9999999
Qty
Price
$1.74

Ref No
20
Part Number
90701-200-000
Description
PIN, KNOCK (8.5X11) (NOT AVAILABLE)
Serial Range
1000001 - 9999999

Ref No
21
Part Number
90705-259-020
Description
PIN, KNOCK (7X12) (NOT AVAILABLE)
Serial Range
1000001 - 9999999

Ref No
22
Part Number
91301-805-000
Description
O-RING (26X2.7)
Serial Range
1000001 - 9999999
Qty
Price
$4.86

Ref No
23
Part Number
92101-06012-0A
Description
BOLT, HEX. (6X12)
Serial Range
1000001 - 9999999
Qty
Price
$1.72

Ref No
24
Part Number
92101-06016-0A
Description
BOLT, HEX. (6X16)
Serial Range
1000001 - 9999999
Qty
Price
$1.78

Ref No
25
Part Number
92000-06063-0A
Description
BOLT, HEX. (6X63)
Serial Range
1000001 - 9999999

Ref No
26
Part Number
92101-06090-0A
Description
BOLT, HEX. (6X90) (SOURCE: VINTAGE PARTS INC.)
Serial Range
1000001 - 9999999

Ref No
27
Part Number
92101-08016-0A
Description
BOLT, HEX. (8X16)
Serial Range
1000001 - 9999999
Qty
Price
$1.80

Ref No
28
Part Number
92000-08100-0A
Description
BOLT, HEX. (8X100)
Serial Range
1000001 - 9999999

Ref No
29
Part Number
92022-08080-0A
Description
BOLT, HEX. (8X80) (NOT AVAILABLE)
Serial Range
1000001 - 9999999

Ref No
30
Part Number
92900-06020-0B
Description
BOLT, STUD (6X20)
Serial Range
1000001 - 9999999
Qty
Price
$2.10

Ref No
31
Part Number
92800-12000
Description
BOLT, DRAIN PLUG (12MM)
Serial Range
1000001 - 9999999
Qty
Price
$4.72

Ref No
32
Part Number
94102-08000
Description
WASHER, PLAIN (8MM)
Serial Range
1000001 - 9999999
Qty
Price
$1.14

Ref No
33
Part Number
94109-12000
Description
WASHER, DRAIN PLUG (12MM)
Serial Range
1000001 - 9999999
Qty
Price
$1.50

Ref No
34
Part Number
95125-08045
Description
BOLT, HEX. (8X45)
Serial Range
1000001 - 9999999

Ref No
35
Part Number
95701-06032-08
Description
BOLT, FLANGE (6X32)
Serial Range
3037736 - 9999999
Qty
Price
$2.30

Ref No
36
Part Number
98076-56741
Description
SPARK PLUG (B6HS) (NGK)
Serial Range
3037736 - 9999999