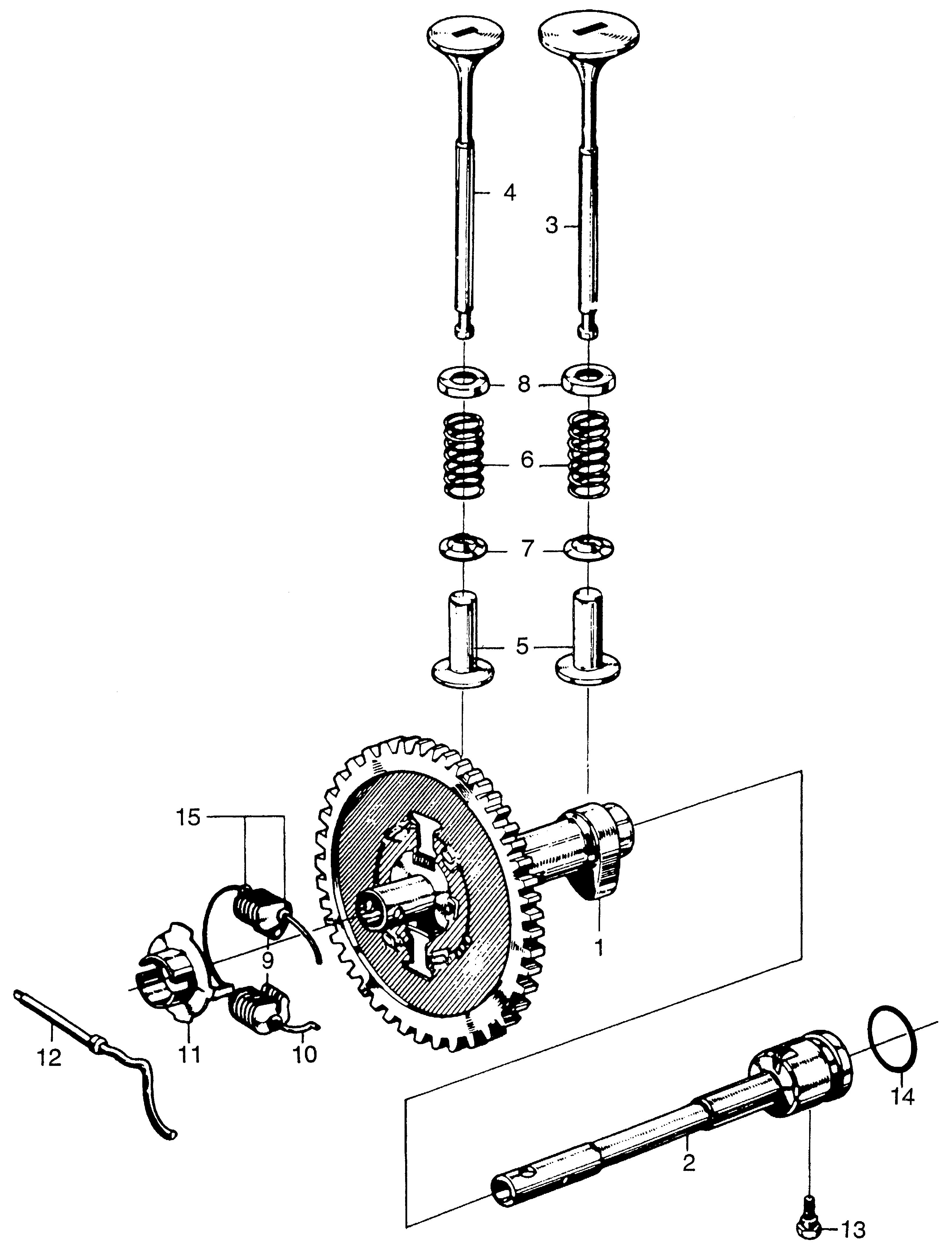
Generators E E2500 E2500K3 A E2500-2000093-2043277 CAMSHAFT VALVE - Alvarado Marine & Power Equipment

Ref No
Part Number
Description
Serial Range
Qty
Price

Ref No
1
Part Number
14101-873-630
Description
CAMSHAFT (NOT AVAILABLE)
Serial Range
1000001 - 9999999

Ref No
2
Part Number
14210-823-010
Description
CENTER, CAMSHAFT
Serial Range
1000001 - 9999999

Ref No
3
Part Number
14711-823-020
Description
VALVE, IN. (NOT AVAILABLE)
Serial Range
1000001 - 9999999
Qty
Price
$22.76

Ref No
4
Part Number
14721-823-020
Description
VALVE, EX. (NOT AVAILABLE)
Serial Range
1000001 - 9999999
Qty
Price
$25.20

Ref No
5
Part Number
14731-809-010
Description
LIFTER, VALVE (NOT AVAILABLE)
Serial Range
1000001 - 9999999

Ref No
6
Part Number
14751-873-000
Description
SPRING, VALVE (NOT AVAILABLE)
Serial Range
1000001 - 9999999

Ref No
7
Part Number
14771-883-305
Description
RETAINER, VALVE SPRING
Serial Range
1000001 - 9999999
Qty
Price
$13.44

Ref No
8
Part Number
14775-809-000
Description
SEAT, SPRING (NOT AVAILABLE)
Serial Range
1000001 - 9999999

Ref No
9
Part Number
16511-805-000
Description
WEIGHT, GOVERNOR (NOT AVAILABLE)
Serial Range
1000001 - 9999999

Ref No
10
Part Number
16515-805-000
Description
CENTER, GOVERNOR WEIGHT (NOT AVAILABLE)
Serial Range
1000001 - 9999999

Ref No
11
Part Number
16521-823-000
Description
SLIDER, GOVERNOR (NOT AVAILABLE)
Serial Range
1000001 - 9999999

Ref No
12
Part Number
16535-823-000
Description
SHAFT, GOVERNOR ARM (NOT AVAILABLE)
Serial Range
1000001 - 9999999
Qty
Price
$8.56

Ref No
13
Part Number
90008-809-000
Description
BOLT, CAMSHAFT CENTER STOPPER (NOT AVAILABLE)
Serial Range
1000001 - 9999999

Ref No
14
Part Number
91318-PA9-003
Description
O-RING (23.5X2.1) (ARAI)
Serial Range
1000001 - 9999999
Qty
Price
$4.26

Ref No
15
Part Number
94101-03000
Description
WASHER, PLAIN (3MM)
Serial Range
1000001 - 9999999
Qty
Price
$0.80