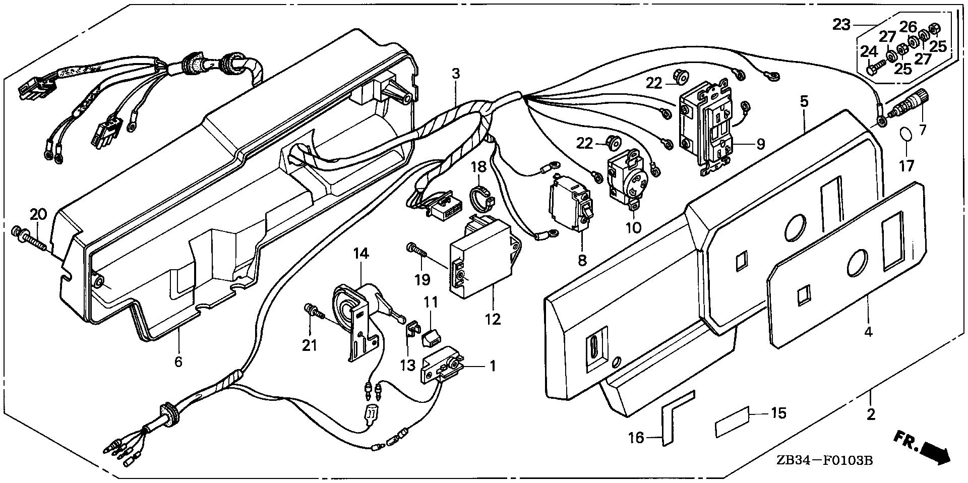
Generators EB EB2500 EB2500XK1 AG/A EZCP-1000001-1018062 CONTROL BOX (EB2500XK1) - Alvarado Marine & Power Equipment

Ref No
Part Number
Description
Serial Range
Qty
Price

Ref No
1
Part Number
15520-ZB2-003
Description
ALERT UNIT, OIL (NOT AVAILABLE)
Serial Range
1000001 - 1005632

Ref No
2
Part Number
31400-ZB3-E31ZA
Description
BOX ASSY., CONTROL *R8* (BRIGHT RED) (NOT AVAILABLE)
Serial Range
1000001 - 1005632

Ref No
2
Part Number
31400-ZB3-E32ZA
Description
BOX ASSY., CONTROL *R8* (BRIGHT RED) (NOT AVAILABLE)
Serial Range
1005633 - 9999999

Ref No
3
Part Number
31404-ZB3-E31
Description
WIRE HARNESS ASSY. (NOT AVAILABLE)
Serial Range
1000001 - 9999999

Ref No
4
Part Number
31407-ZB3-E31
Description
MARK, SWITCH PANEL
Serial Range
1026381 - 9999999
Qty
Price
$53.92

Ref No
5
Part Number
31420-ZB3-E31ZA
Description
PANEL, CONTROL *R8* (BRIGHT RED) (NOT AVAILABLE)
Serial Range
1000001 - 1005632

Ref No
5
Part Number
31420-ZB3-E32ZA
Description
PANEL, CONTROL *R8* (BRIGHT RED)
Serial Range
1005633 - 9999999

Ref No
6
Part Number
31425-ZB2-000ZE
Description
CASE, CONTROL *R280* (POWER RED)
Serial Range
1000001 - 9999999

Ref No
7
Part Number
31428-ZA5-003
Description
TERMINAL ASSY., GROUND (NOT AVAILABLE)
Serial Range
1000001 - 9999999

Ref No
8
Part Number
31430-ZB3-E30
Description
BREAKER, CIRCUIT (20A)
Serial Range
1026902 - 9999999

Ref No
9
Part Number
32330-Z08-E42
Description
RECEPTACLE (20A/125V)
Serial Range
1026902 - 9999999
Qty
Price
$340.12

Ref No
9
Part Number
32331-ZC2-E31
Description
RECEPTACLE (20A/125V)
Serial Range
1000001 - 9999999

Ref No
10
Part Number
32331-899-630
Description
RECEPTACLE (20A/125V) (NOT AVAILABLE)
Serial Range
1000001 - 9999999

Ref No
11
Part Number
32343-892-003
Description
KNOB, PETCOCK LEVER
Serial Range
1000001 - 9999999
Qty
Price
$13.14

Ref No
12
Part Number
32350-ZB3-703
Description
REGULATOR UNIT, AUTOMATIC VOLTAGE
Serial Range
1000001 - 9999999

Ref No
13
Part Number
36106-892-003
Description
BUSH, CONTROL KNOB
Serial Range
1000001 - 9999999
Qty
Price
$6.34

Ref No
14
Part Number
36110-ZB2-003
Description
SWITCH ASSY., ENGINE
Serial Range
1026902 - 9999999
Qty
Price
$34.42

Ref No
15
Part Number
87162-ZB3-C00
Description
MARK, OIL INDICATION
Serial Range
1000001 - 1005632
Qty
Price
$2.46

Ref No
15
Part Number
87532-ZH8-810
Description
MARK, OIL ALERT (ENGLISH) (NOT AVAILABLE)
Serial Range
1005633 - 9999999

Ref No
16
Part Number
87501-ZB3-C31
Description
MARK, ENGINE SWITCH INDICATION
Serial Range
1005633 - 9999999

Ref No
17
Part Number
87534-892-640
Description
MARK, GROUND
Serial Range
1000001 - 9999999
Qty
Price
$2.40

Ref No
18
Part Number
90672-ZB4-003
Description
TIE, CABLE
Serial Range
1000001 - 9999999
Qty
Price
$5.76

Ref No
19
Part Number
93500-05008-0A
Description
SCREW, PAN (5X8)
Serial Range
1026902 - 9999999
Qty
Price
$1.06

Ref No
20
Part Number
93891-06045-08
Description
SCREW-WASHER (6X45) (NOT AVAILABLE)
Serial Range
1026902 - 9999999

Ref No
21
Part Number
93892-04008-08
Description
SCREW-WASHER (4X8)
Serial Range
1000001 - 1005632
Qty
Price
$1.40

Ref No
22
Part Number
94050-04000
Description
NUT, FLANGE (4MM)
Serial Range
1005633 - 9999999
Qty
Price
$1.50