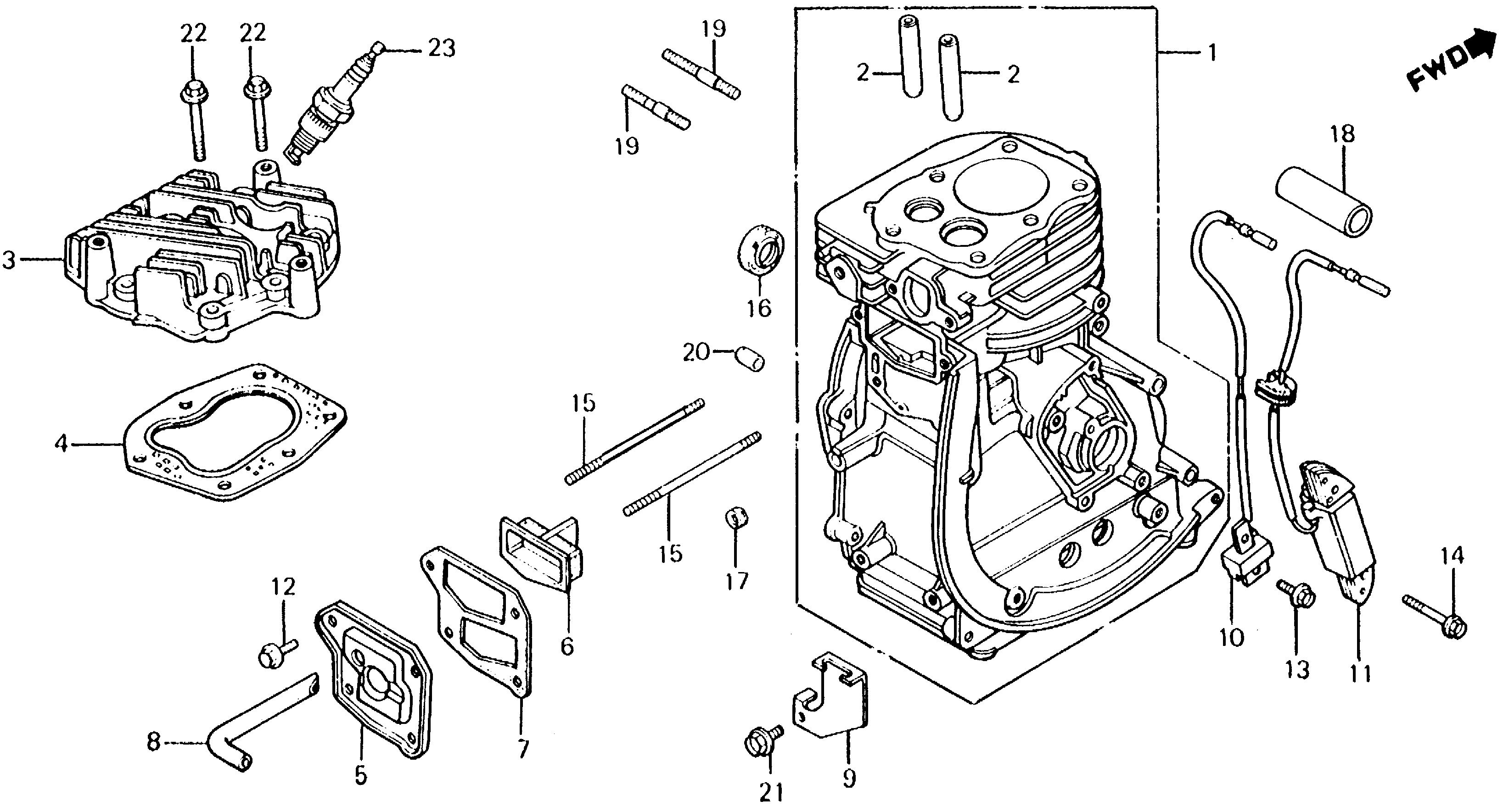
Generators EX EX800 EX800 A G100-1287874-9999999 CYLINDER - Alvarado Marine & Power Equipment

Ref No
Part Number
Description
Serial Range
Qty
Price

Ref No
1
Part Number
121A0-ZA7-000
Description
CYLINDER
Serial Range
1000001 - 9999999

Ref No
2
Part Number
12134-892-305
Description
GUIDE, VALVE (NOT AVAILABLE)
Serial Range
1000001 - 9999999

Ref No
3
Part Number
12221-ZA7-000
Description
CYLINDER HEAD (NOT AVAILABLE)
Serial Range
1000001 - 9999999

Ref No
4
Part Number
12281-896-000
Description
GASKET, CYLINDER HEAD (NOT AVAILABLE)
Serial Range
1000001 - 9999999

Ref No
5
Part Number
12361-896-000
Description
COVER, TAPPET ROOM (NOT AVAILABLE)
Serial Range
1000001 - 9999999

Ref No
6
Part Number
12370-ZA7-000
Description
SEPARATOR (INNER) (NOT AVAILABLE)
Serial Range
1000001 - 9999999

Ref No
7
Part Number
12375-896-000
Description
GASKET, TAPPET COVER (NOT AVAILABLE)
Serial Range
1000001 - 9999999

Ref No
8
Part Number
15721-896-010
Description
TUBE, BREATHER
Serial Range
1000001 - 9999999

Ref No
9
Part Number
16105-ZA7-000
Description
HOLDER, TUBE
Serial Range
1000001 - 9999999

Ref No
10
Part Number
30410-896-602
Description
COIL, PULSER
Serial Range
1000001 - 9999999

Ref No
11
Part Number
30590-896-602
Description
COIL, EXCITER (NOT AVAILABLE)
Serial Range
1000001 - 9999999

Ref No
12
Part Number
90002-892-000
Description
BOLT, FLANGE (5X10)
Serial Range
1000001 - 9999999
Qty
Price
$1.72

Ref No
13
Part Number
90007-892-000
Description
BOLT, FLANGE (5X12)
Serial Range
1000001 - 9999999
Qty
Price
$1.46

Ref No
14
Part Number
90007-896-000
Description
BOLT, FLANGE (5X25) (NOT AVAILABLE)
Serial Range
1000001 - 9999999

Ref No
15
Part Number
90041-896-000
Description
BOLT, STUD (5X80)
Serial Range
1000001 - 9999999

Ref No
16
Part Number
91202-892-004
Description
OIL SEAL (17X30X6) (NOK)
Serial Range
1000001 - 9999999
Qty
Price
$12.28

Ref No
17
Part Number
91231-816-000
Description
OIL SEAL (5X10X4) (NOT AVAILABLE)
Serial Range
1000001 - 9999999

Ref No
18
Part Number
91406-898-000
Description
TUBE, CORD
Serial Range
1000001 - 9999999
Qty
Price
$4.16

Ref No
19
Part Number
92700-06028-0B
Description
BOLT, STUD (6X28)
Serial Range
1000001 - 9999999

Ref No
19
Part Number
92900-06016-0B
Description
BOLT, STUD (6X16)
Serial Range
1000001 - 9999999
Qty
Price
$1.80

Ref No
20
Part Number
94301-08140
Description
PIN, DOWEL (8X14)
Serial Range
1000001 - 9999999
Qty
Price
$2.74

Ref No
21
Part Number
95700-06010-08
Description
BOLT, FLANGE (6X10)
Serial Range
1000001 - 9999999
Qty
Price
$1.96

Ref No
21
Part Number
95701-06010-08
Description
BOLT, FLANGE (6X10)
Serial Range
1000001 - 9999999
Qty
Price
$1.96

Ref No
22
Part Number
95701-06035-08
Description
BOLT, FLANGE (6X35)
Serial Range
1000001 - 9999999
Qty
Price
$2.18

Ref No
23
Part Number
98076-54914
Description
SPARK PLUG (BPR-4HS-10) (NGK)
Serial Range
1000001 - 9999999

Ref No
23
Part Number
98076-54917
Description
SPARK PLUG (BPR4HS-10)
Serial Range
1000001 - 9999999
Qty
Price
$2.46

Ref No
23
Part Number
98076-54954
Description
SPARK PLUG (W14FPR-UL10) (DENSO)
Serial Range
1000001 - 9999999
Qty
Price
$3.16