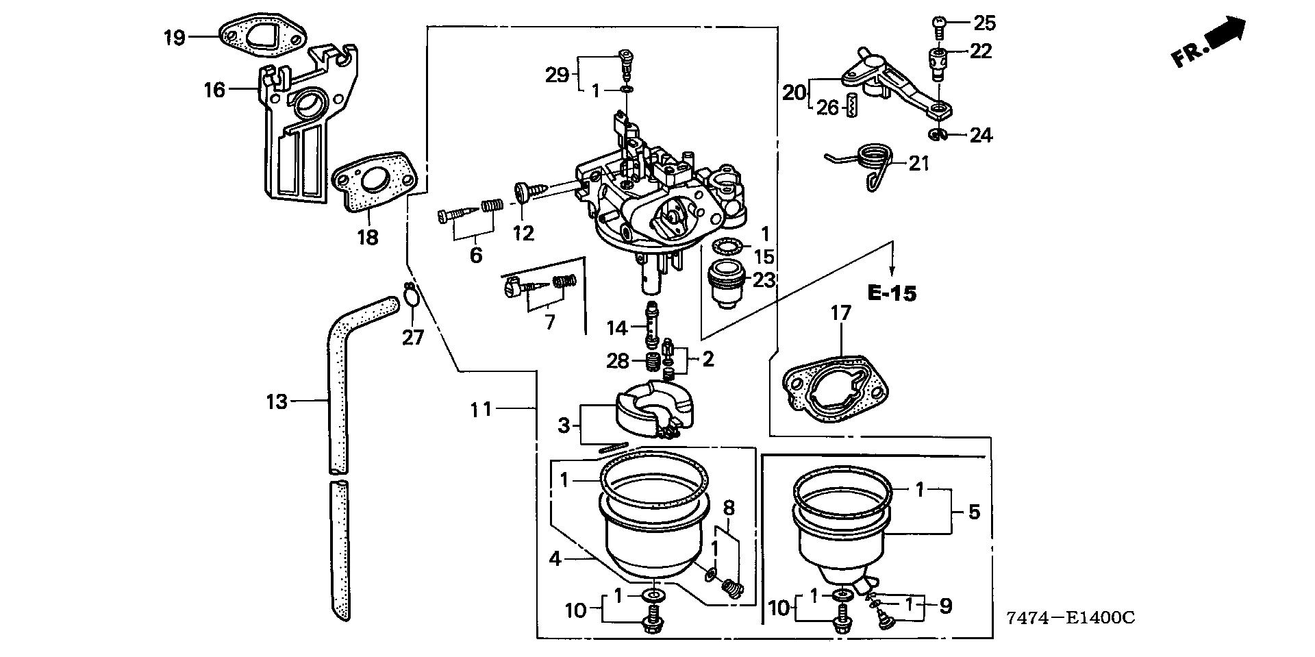
Ref No
Part Number
Description
Serial Range
Qty
Price
Ref No 1
Part Number 16010-ZE1-P32
Description GASKET SET
Serial Range 1000001 - 9999999
Qty
Price $20.38
Add To Cart
Ref No 2
Part Number 16011-ZE0-005
Description VALVE SET, FLOAT (SEAT NOT INCLUDED)
Serial Range 1000001 - 9999999
Qty
Price $28.48
Add To Cart
Ref No 3
Part Number 16013-ZE0-005
Description FLOAT SET
Serial Range 1000001 - 9999999
Qty
Price $29.86
Add To Cart
Ref No 5
Part Number 16015-ZH7-A21
Description CHAMBER SET, FLOAT
Serial Range 1000001 - 9999999
Ref No 7
Part Number 16016-ZH7-W01
Description SCREW SET, PILOT
Serial Range 1000001 - 9999999
Qty
Price $20.40
Add To Cart
Ref No 9
Part Number 16024-ZH7-A20
Description SCREW SET, DRAIN
Serial Range 1000001 - 9999999
Qty
Price $11.00
Add To Cart
Ref No 10
Part Number 16028-ZE0-005
Description SCREW SET
Serial Range 1000001 - 9999999
Ref No 10
Part Number 16028-ZK7-S91
Description SCREW SET
Serial Range 1000001 - 9999999
Qty
Price $13.14
Add To Cart
Ref No 11
Part Number 16100-ZE1-P35
Description CARBURETOR ASSY. (BE45A F)
Serial Range 1000001 - 9999999
Qty
Price $91.30
Add To Cart
Ref No 12
Part Number 16124-ZE0-005
Description SCREW, THROTTLE STOP
Serial Range 1000001 - 9999999
Qty
Price $17.88
Add To Cart
Ref No 13
Part Number 16151-ZE1-P30
Description TUBE, OVERFLOW
Serial Range 1000001 - 9999999
Qty
Price $12.02
Add To Cart
Ref No 14
Part Number 16166-ZE1-711
Description NOZZLE, MAIN
Serial Range 1000001 - 9999999
Qty
Price $30.16
Add To Cart
Ref No 15
Part Number 16173-001-004
Description O-RING
Serial Range 1000001 - 9999999
Ref No 16
Part Number 16211-ZE1-000
Description INSULATOR, CARBURETOR
Serial Range 1000001 - 9999999
Qty
Price $23.82
Add To Cart
Ref No 17
Part Number 16220-ZE1-020
Description SPACER, CARBURETOR
Serial Range 1000001 - 9999999
Ref No 18
Part Number 16221-ZH8-801
Description GASKET, CARBURETOR
Serial Range 1000001 - 9999999
Qty
Price $2.30
Add To Cart
Ref No 19
Part Number 16212-ZH8-800
Description GASKET, INSULATOR
Serial Range 1000001 - 9999999
Ref No 20
Part Number 16610-ZE1-810
Description LEVER, CHOKE (REMOTE)
Serial Range 1000001 - 9999999
Qty
Price $10.44
Add To Cart
Ref No 21
Part Number 16615-ZE1-010
Description SPRING, RETURN
Serial Range 1000001 - 9999999
Qty
Price $5.34
Add To Cart
Ref No 22
Part Number 16617-890-010
Description HOLDER, CABLE
Serial Range 1000001 - 9999999
Qty
Price $8.24
Add To Cart
Ref No 23
Part Number 16967-ZE0-811
Description CUP, FUEL STRAINER
Serial Range 1000001 - 9999999
Qty
Price $21.64
Add To Cart
Ref No 24
Part Number 90605-230-000
Description CIRCLIP (5MM)
Serial Range 1000001 - 9999999
Ref No 25
Part Number 93500-04008-0A
Description SCREW, PAN (4X8)
Serial Range 1000001 - 9999999
Qty
Price $1.06
Add To Cart
Ref No 26
Part Number 94305-20122
Description PIN, SPRING (2X12)
Serial Range 1000001 - 9999999
Qty
Price $2.12
Add To Cart
Ref No 27
Part Number 95002-45000
Description CLIP, TUBE (C8)
Serial Range 1000001 - 9999999
Qty
Price $1.56
Add To Cart
Ref No 28
Part Number 99101-ZK7-0650
Description JET, MAIN (#65)
Serial Range 1000001 - 9999999
Qty
Price $6.90
Add To Cart
Ref No 28
Part Number 99101-ZK7-0680
Description JET, MAIN (#68)
Serial Range 1000001 - 9999999
Qty
Price $7.92
Add To Cart
Ref No 28
Part Number 99101-ZK7-0700
Description JET, MAIN (#70)
Serial Range 1000001 - 9999999
Qty
Price $9.46
Add To Cart
Ref No 29
Part Number 99204-ZE0-0350
Description JET SET, PILOT (#35)
Serial Range 1000001 - 9999999
Qty
Price $22.50
Add To Cart